適用范圍 LXW16系列微動開關適用于交流至380V、直流至250V的控制電路中,作為主令電器或者在其他電器中作為配件。
結構特點
微動開關內具有一組瞬動機構,觸頭采用銀基合金,彈性元件用鈹青銅,機體采用絕緣性能優良的工程塑料制成,具有阻燃增強、耐熱、耐久、安全、可靠性高等特點。接線端子有AMP187(4.8×0.5)、 AMP250(6.3×0.8)、國際4.8×0.8快接端子及焊接端子等多種型式供用戶選擇。
技術參數
額定絕緣電壓:AC 380V
額定工作電壓:AC 250V DC 250V
額定工作電流:AC-12 250V 16A
工頻耐壓:2000VAC
接觸電阻:≤30 mΩ
壽 命:機械 1000萬次以上 電氣 10萬次以上
產品型號及其含義

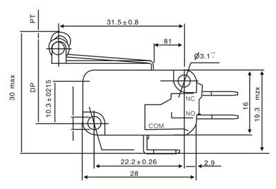
外形及安裝尺寸

證書
